Lagercontainere til fleksibel og trygg lagring
Lagercontainere i varmgalvanisert stål er den perfekte løsningen når du ønsker en trygg og fleksibel lagringsløsning til konkurransedyktige priser. Våre containere er værbestandige og bygget til å stå ute, men de vil selvfølgelig også fungere som en perfekt lagringsløsning innendørs i tillegg. De to doble svingdørene med lås og håndtak sikrer sikker og enkel adkomst til containeren, og gjør det mulig å lagre selv større gjenstander. Hvis du har behov for å lagre større gjenstander og materialer, gir containerne plass til det meste. En viktig funksjon er at våre lagercontainere kan monteres og demonteres etter behov. Det vil sikre all den lagringsplassen du trenger når som helst. Containerne kan selvfølgelig flyttes med gaffeltruck eller kran. Med andre ord, med én eller flere av disse funksjonelle containerne har du optimal lagringsplass og fleksibilitet, siden de bare tar opp begrenset med plass når demontert.
Miljølagring med spillkarm på gulvet
Bedrifter som må lagre oljebaserte og brennbare materialer har spesialkrav hva angår lagringsfasilitetene. Våre miljøcontainere tilfredsstiller disse kravene siden de har spillkant, for blant annet å unngå kjemiske utslipp mm. Med en solid miljøcontainer er det garantert at lagret gods er sikkert lagret for å kunne beskytte miljøet.
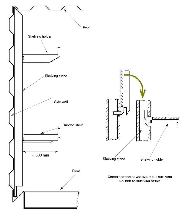
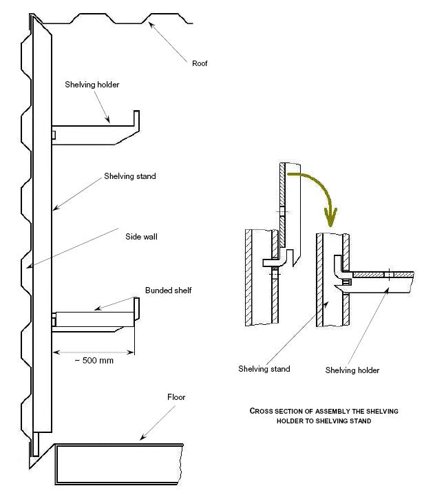
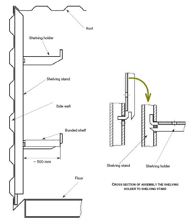
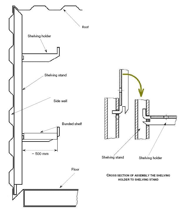
Lagercontainere med spesielle egenskaper
Lagercontainerne fra Dancover er tilgjengelige med forskjellig tilleggsutstyr du kan legge til ved behov. Du kan kjøpe hyller, kjørerampe, fester til gassflasker, containerlås, gaffeltruckspor og ventilasjonsgitter. Vær oppmerksom på at du må montere og installere det ulike tilbehøret på egenhånd – inkludert lage til et hull til ventilasjonsgitteret og feste den med fire popnagler!
















































































