



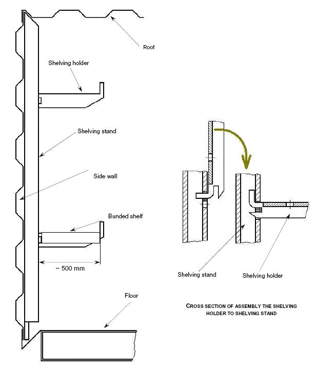
Hyllefestene er en del av hyllesystemet til lager- og miljøcontainerne. Systemet inkluderer vertikale hyllefester, kjemikaliehyller og hylleknekter. Hyllefestene er laget av stål og har en maksimal belastningsvekt på 120 kg per enhet. NB! Du trenger 2 veggskinner for å montere hyller!
Produktspesifikasjoner
-
Låsfalse
-
VarenummerAC83006
-
Vekt (kg)4.8
- Lett å montere
- Galvanisert stål
- Hyllefestene er montert med støtte i taket, og i gulvet
- Minimumavstand mellom hyllene er 300 mm
- Maks. vekt per enhet: 120 kg
- Kun kompatibel med containere i Orion-serien
Hyllefestene er en del av hyllefestene til våre lager- og miljøcontainere. Systemet inkluder hyllefester, hylleknekter og kjemikaliehyller i forskjellige lengder. Hyllefestene er festet vertikalt til sideveggen av containeren – en ende feste med støtte i gulvet og den andre enden med støtte i taket. Antallet hyllefester er valgfritt og er avhengig av behovet for samlet vekt av det som plasseres på hyllene. Hyllefestene har en flere festehull slik at antall hyller i lager- og miljøcontaineren kan tilpasses.
- I tilfelle kraftig vind, er det ditt ansvar å sørge for tilstrekkelig sikring av teltet og forhindre det fra å forårsake materiell- eller personskader.
- Når det snør, er det en fare for at snøen samler seg opp på taket av ditt telt. Tung snø kan få teltet til å kollapse. Det er ditt ansvar å fjerne snø fra taket på teltet og redde ditt telt fra ødeleggelse.
- Vær sikker på at teltet er helt tørt før du tar det ned og pakker den opp. Dermed unngår du mugg og sopp.
- Ikke pakk sammen eller pakk sammen teltet ved kuldegrader.
- Ikke bruk åpen flamme, sveise utstyr eller andre tennkilder, på innsiden eller nær teltet.
- Merk deg at Dancover garantien gjelder kun for normal bruk av produktet, i henhold til de skriftlige instruksjonene i manualen. Garantien dekker ikke normal slitasje og elde. Heller ikke skader, feil, slitasje forårsaket av feil bruk, dårlig vedlikehold, misbruk, uautorisert modifisering eller eksponering for dårlig værforhold.
- Vi anbefaler at du sjekker om teltet er dekket av innboforsikringen.
Hyllefester, Orion, 1 stk.





